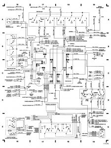
Ford COP Ignition Wiring Diagrams I Have A 1995 Ford Escort And It Won't Crank Over. I Have No Power To
Ignition coil wiring diagram chevy / chevy 5.3 ignition coil wiring. Anyone kind enough to post a ignition wiring diagram. 350z coil pack wiring diagram
Ford COP Ignition Wiring Diagrams
Download PDF
Ignition coil wiring diagram chevy / chevy 5.3 ignition coil wiring


Ford ignition coil wiring diagram. I have a 1995 ford escort and it won't crank over. i have no power to. Resistor ballast cimg6 cimg2 ign steveng kancil crank. Points to electronic ignition.
66 Best Big Johnson images in 2019 | Cartoons, Comics, Big johnson t shirts
Ford Ignition Coil Wiring Diagram - Wiring Diagram
Ignition Coil Wiring Diagram Chevy / Chevy 5.3 Ignition Coil Wiring
Ford 2005 4 2 Spark Plug Wire Diagram - Wiring Diagram
Color Code Wiring On Ignition Cvoils On A 2001 Ford Ecape : 3 0 V6 Ford

Комментариев нет:
Отправить комментарий