Mercedes Benz Wiring Diagram 650 I Need The Ignition Switch Wiring Schematic For A 1981 Mercedes 300 Sd
240sx autozone repairguide imageservice schematic ka24de. Mercedes-benz wiring diagram submited images.. Mercedes benz complete wiring parts list database
mercedes benz wiring diagram 650
Download PDF
St1300 f650gs spyder timberwolf f350 schematics harnes calsci diagrams lr3 s10 cbr929rr vfr


Schema electrique 650 klr. Mercedes wiring diagram vito benz locking central sprinter manual 190e diagnose justanswer ignition 1986 switch. Mercede benz ignition wiring diagram. Where can i get a wiring diagram for a 1988 mercedes 560 sl. we dis
FAQ: Colored wiring diagram --> all sv650 models - Suzuki SV650 Forum
2006 Bmw f650gs wiring diagram
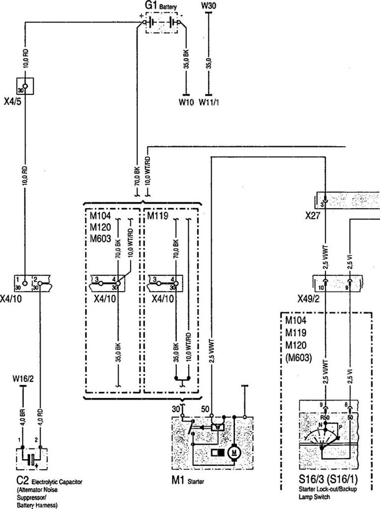
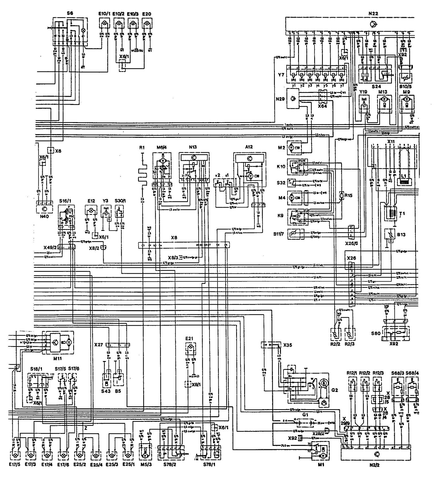
Mercedes-Benz 600SL (1993) - wiring diagrams - starting - Carknowledge.info
Where can i get a wiring diagram for a 1988 mercedes 560 sl. we dis
FAQ: Colored wiring diagram --> all sv650 models - Suzuki SV650 Forum

Комментариев нет:
Отправить комментарий