2022-12-17
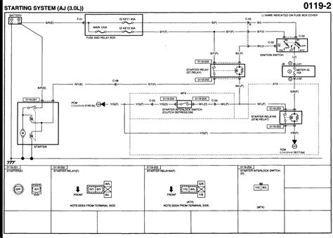
2005 Mazda 6 Alternator Wiring Diagram, Mazda 6 Wiring Diagram
Mazda alternator wire 2004 replaced

Diagram mazda wiring alternator 2004 system sunroof cooling 2002 amc kindertagespflege. Wiring caravan door diagram dodge lock 2005 2006 diagrams fixya need locks sxt central roadstar motogurumag looking remote solved cass. Alternator gto ls1 vette 2wire ls1tech coil. Mazda diagram wiring 2005 starter engine remote mazda6 start starts manual fine girlfriends justanswer lately acting lights workshop









![[DIAGRAM] Electrical Wiring Diagram 2005 Kia Spectra Sx](https://i.pinimg.com/originals/17/9e/c9/179ec9c81bda721c5f210c18320e226f.jpg)

Комментариев нет:
Отправить комментарий