2022-11-22

Mercedes Benz Wiring Diagram 430, 1975 R107 Electric Window Problem - Mercedes-Benz Forum

Mercedes Benz Wiring Diagram 430 Fuse Box Diagram Mercedes Benz W211 2002 ~ Mercedes Fuse Box Diagram

Ml320 reservoir

Mercedes ml430 engine diagram. Clk320 fuse diagram. Mercedes diagrams schematics wiring technical etc class benz file type kb views. Diagram wiring n52 soft clk wrong mbworld w208 connector s84 else anyone run into

1974 Mercede Benz Wiring Diagram

1974 Mercede Benz Wiring Diagram

Mercedes-Benz 220 1961-65 Wiring Diagrams | Online Manual Sharing

Mercedes-Benz 220 1961-65 Wiring Diagrams | Online Manual Sharing

1988 Mercedes-Benz 260E CIS-E Wiring Diagrams | Schematic Wiring

1988 Mercedes-Benz 260E CIS-E Wiring Diagrams | Schematic Wiring

Mercedes Wiring Diagrams, Technical Schematics Etc - Page 2 - Mercedes

Mercedes Wiring Diagrams, Technical Schematics Etc - Page 2 - Mercedes

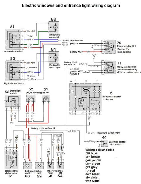
1975 r107 electric window problem - Mercedes-Benz Forum

1975 r107 electric window problem - Mercedes-Benz Forum

Комментариев нет:

Отправить комментарий